
- Kepala penutup: 2 pcs penggerak servo-moto
- Tegangan: 220V, 50/60HZ;
- Daya: 3.0Kw
- Tekanan udara: 0,5–0,7Mpa
- Arus listrik: 8.5A
- Kecepatan: 40-45/menit (disesuaikan menurut bentuk dan ukuran toples)
- Diameter produk yang cocok: tutup φ28-φ125mm(Tidak ada penyesuaian standar)
- Tingkat kelulusan kelenjar: ≥99,5% (Tergantung pada kesalahan tutup dan botol)
- Ukuran mesin: 3300*1150mm*1908mm
- Berat: 450kg
Sebelum menghidupkan mesin, bacalah buku petunjuk ini dengan saksama untuk masalah keselamatan dan penggunaan mesin yang benar. Untuk menghindari kecelakaan personel dan mengurangi frekuensi kerusakan mesin.
Dalam kasus produk korosif, berhati-hatilah agar benda korosif tersebut tidak menyentuh atau memercik ke mesin itu sendiri dan staf.
- Hindari penggunaan mesin di tempat yang rentan terhadap getaran atau benturan.
- Ketika mesin sedang bekerja, tubuh staf tidak dapat menyentuh bagian yang bergerak.
- Mesin harus dihindari di tempat yang terlalu lembab. Dan masukkan ke catu daya, kabel ground diarde dengan benar, Untuk menghindari kecelakaan keselamatan.
- Operator harus menjaga kondisi fisik dan mental yang normal. Jika Anda mengonsumsi alkohol, obat tidur, atau obat lain yang merusak kondisi mental Anda, hentikan pengoperasian mesin.
- Operator harus mengenakan pakaian yang sesuai untuk menghindari cedera akibat keterlibatan pakaian pada bagian yang beroda dan tidak boleh meletakkan barang asing apa pun di atas mesin.
- Jika terjadi kebisingan atau kelainan lain selama penggunaan, segera hentikan dan periksa. Teknisi non-teknik, mohon jangan memindahkan komponen mesin secara sembarangan.
- Pemeliharaan dan perawatan rutin (sekali/mingguan), hindari cipratan air atau cairan apa pun dan kotak kontrol elektronik, atau komponen listrik lainnya saat membersihkan mesin.
- Harap operasikan sesuai prosedur pengoperasian normal dan jaga permukaan mesin tetap bersih dan rapi.
Mesin penutup diaplikasikan pada semua jenis kosmetik, obat-obatan, obat-obatan hewan, pestisida, minyak pelumas dan bidang industri lainnya dalam proses pengemasan.





Prinsip dan Fitur Mesin Penutup Botol:
- Kontrol otomatis listrik, stabil;
- Dengan perangkat pemosisian penutup, penutup terkunci standar, pengoperasiannya nyaman;
- Penutup kunci berbagai macam, dapat memutar berbagai bentuk spesifikasi tutup;
- Kecepatan pembatasan, penjara putaran, secara bersamaan juga dapat disesuaikan sesuai kebutuhan untuk menyesuaikan kekencangan penggulungan ulang.


Parameter dasar mesin penutup botol kosmetik:

1. Kepala penutup: 2 pcs penggerak servo-moto
2. Tegangan: 220V, 50/60HZ;
3. Daya: 3.0Kw
4. Tekanan udara: 0,5--0,7Mpa
5. Arus listrik: 8.5A
6. Kecepatan: 40-45/menit (disesuaikan dengan bentuk dan ukuran toples)
7. Diameter produk yang cocok: tutup φ28-φ125mm (Tidak ada penyesuaian standar)
8. Tingkat kelulusan kelenjar: ≥99,5% (Tergantung pada kesalahan tutup dan botol)
9. Ukuran mesin: 3300*1150mm*1908mm
10. Berat: 450kg
Deskripsi Bagian Host


Sakelar daya: Kontrol catu daya hidup---mati.
Indikator daya: daya hidup—lampu hijau menyala, daya mati—lampu hijau mati.
Penghentian darurat: Digunakan untuk menghentikan mesin segera atau untuk mengatur ulang fungsi saat terjadi keadaan darurat atau gangguan.
1. Mulai fotolistrik: Mesin sedang beroperasi, saat deteksi fotolistrik mendeteksi adanya botol dan tutup, meja putar dapat mulai bekerja. Jika salah satu dari dua fotolistrik tidak terdeteksi, meja putar tidak berputar.
2. Asal fotolistrik: Digunakan untuk mengendalikan motor penggerak untuk menggerakkan posisi meja putar, sehingga botol dapat dimasukkan ke dalam penutup dengan lancar.
3. Fotolistrik tutup: Periksa apakah penutup sudah pada tempatnya dan deteksi secara fotolistrik bahwa ada meja putar penutup yang dapat diputar.
4. Fotolistrik penutup: Mengontrol mulai dan berhentinya mesin penutup atas, ketika penutup yang disediakan oleh mesin penutup atas disortir ke posisi yang dideteksi oleh fotolistrik, fotolistrik selalu cerah, mesin penutup berhenti untuk penutup, dan penutup cerdas diterapkan.
5. Fotolistrik penutup kunci: Saat botol beserta tutupnya lewat, deteksi fotolistrik terdeteksi, dan penutup kunci digerakkan sesuai dengan waktu tunda yang ditetapkan (parameter spesifik disesuaikan dengan kecepatan sabuk konveyor saat mesin disesuaikan).
6. Sistem penutup kunci: Botol dengan tutupnya sama, penundaan mulai fotolistrik, penundaan ke botol penjepit silinder, tutup pengunci diturunkan, penutup pegangan - tutup sekrup - pelepas penjepit - tutup pengunci naik - botol klip dilonggarkan, dan proses tutup pengunci selesai. Di penutup pengunci, saat penutup pengunci 1# berada di penutup pengunci, botol lain masuk. Pada saat ini, silinder botol penjepit 2# bergerak, dan penutup pengunci 2# diaktifkan untuk mengunci penutup. (Saat tutup yang telah dikunci oleh kepala pengunci 2# melewati botol klip 1#, jangan ulangi penutup pengunci.

Deskripsi antarmuka manusia-mesin

Halaman boot
3.1 Halaman boot memiliki pilihan operasi Bahasa Inggris dan Bahasa Mandarin. Jika Anda memilih tombol Bahasa Mandarin, masuk ke antarmuka berikut:

Antarmuka kedua
Berhenti: Sakelar mulai seluruh mesin. Sentuh tombol ini, mesin berjalan dalam mode otomatis. Sentuh tombol ini lagi, mesin berhenti bekerja.
Gerbang uji: Uji pengoperasian mesin.
Kecepatan putar: Semakin besar parameter kecepatannya, semakin cepat kecepatannya, semakin lambat parameter kecepatannya.(Tetapi ada batas maksimumnya.)。
Penundaan meja putar: Pengaturan waktu mulai putaran meja putar, sesuai dengan efek kelancaran putaran meja putar yang ingin diatur.
Penundaan pembatasan: Setelah meja putar ke stasiun yang ditunjuk, tunda waktu tunggu, tutup aksi silinder.
Waktu pembatasan: Waktu yang dibutuhkan untuk menyegel silinder.
Keluaran: Lengkapi catatan jumlah penutup kunci, hitungan produksi yang mudah. Tekan tombol reset untuk menghapus.
X1. X3. X14: Periksa apakah fotolistrik dalam keadaan kerja refleksi, mudah untuk melihat pengoperasian keadaan mesin,
Parameter pembatasan: Tekan tombol ini dan masuk ke antarmuka berikut:

Antarmuka adalah halaman parameter yang akan ditetapkan untuk setiap tindakan kepala kunci 1 # dalam sistem penutup kunci servo, pengaturan parameter yang wajar bermanfaat bagi stabilitas mesin dan peningkatan efisiensi.
Kembali: Tekan tombol ini untuk kembali ke antarmuka kedua.
masukan/keluaran: Tekan tombol ini untuk masuk ke antarmuka berikut:

Poin seri X: Adalah titik masukan untuk mendeteksi apakah fotolistrik dalam keadaan berfungsi, mudah melihat pengoperasian mesin, mudah perawatannya.
Titik seri Y: Adalah titik keluaran komponen eksekutif dari keadaan umpan balik normal, dapat juga menekan tombol kontrol secara manual untuk menguji apakah komponen eksekusi normal.
Sistem pengumpan tutup: Dapat stabil dan teratur sesuai dengan arah yang ditentukan untuk dicakup.
Penyesuaian kemiringan: sudut yang wajar dapat disesuaikan untuk mengontrol tutup terbalik agar tidak naik ke dalam slide.
Pengaturan konverter frekuensi: mengontrol kecepatan penutup.


Perawatan Peralatan Penutup Toples:
1. Jaga mesin dalam kondisi mati daya dan gas untuk memastikan keamanan. Jaga mesin tetap bersih dan rapi, jangan menaruh barang-barang kecil, aksesori, baut, dll. di atas mesin.
2. Dan oli pelumas ditambahkan secara berkala pada mekanisme bagian yang bergerak untuk memastikan kondisi mekanisme tetap berjalan baik.
3. Buang air dari unit filter udara secara teratur dan tambahkan oli pelumas untuk memastikan penggunaan silinder yang tepat dan memperpanjang masa pakai.
4. Periksa dan perbaiki mesin secara berkala. Nilailah kondisi pengoperasian peralatan melalui penglihatan dan pendengaran untuk memastikan mesin bekerja dengan baik.
Catatan: Harap gunakan dan rawat sesuai dengan petunjuk, dilarang keras membuka dan membongkar selama masa garansi, jika tidak kerusakan yang disebabkan oleh ini akan dianggap sebagai kerusakan manusia, tidak ada perbaikan gratis. Petunjuk ini dapat berubah tanpa pemberitahuan; jika masih ada ketidakpastian tentang pengoperasian mesin ini, silakan hubungi kami kapan saja untuk pertanyaan
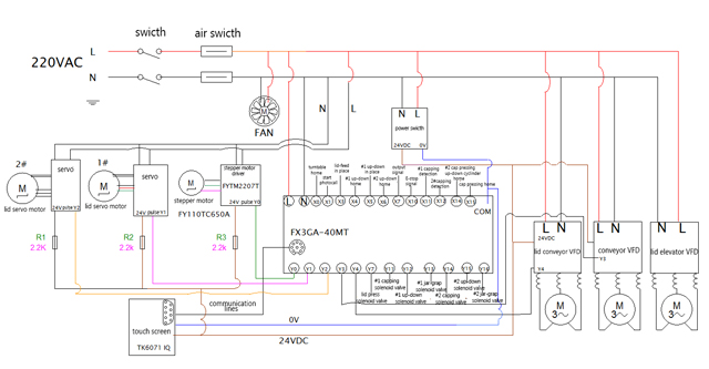
Skema kelistrikan terlampir:

Sampel tutup botol yang sudah disegel dimasukkan ke dalam mesin penutup botol:





Tanda: untuk stoples hitam persegi karena tutupnya rentan tergores, stoples ini dirancang dengan sistem pengambilan untuk menarik tutup stoples keluar dari baki dan menaruhnya ke stasiun siap tutup untuk proses penutupan tutup. Prinsip kerja terperinci diilustrasikan sebagai berikut: Proses kerja:
1. Cara manual meletakkan tutup pada baki (15*15 atau 10*10)

2. Menempatkan baki di stasiun pengambilan siap pakai
3. Robot mengambil toples

4. Penempatan botol dan proses penutupan selesai
5. Output toples tertutup











