
- Kecepatan pembatasan: 15-30 lembar/menit
- Tegangan terukur: 110V/60Hz (Standar AS)
- Daya Mesin: 0.8KW
- Arus listrik: 2.2A
- Dimensi eksterior: 2230*1460*1600 MM (P*L*T)
- Tekanan Udara: 0,7 MPa
- Berat: Sekitar 300 KG
Pemberitahuan Sebelum Menjalankan Mesin Penutup Botol
1: Sebelum mesin dicolokkan, pastikan sakelar daya dalam keadaan tertutup, lalu ikuti petunjuk.
2: Jika mesin tidak menyala dalam waktu lama, bersihkan dengan kain kering dan jangan gunakan bahan pembersih yang bersifat korosif.
3: Dilarang keras menyemprotkan cairan apa pun ke dalam kotak listrik mesin, untuk menghindari korosi pada komponen listrik internal dan menyebabkan korsleting.
4: Periksa sesuai dengan model daftar kemasan peralatan, spesifikasi dan jumlah peralatan dan bahan untuk memastikan bahwa mereka memenuhi persyaratan desain dan standar produk dan disertai dengan sertifikat kesesuaian.
5: Periksa penampilan peralatan untuk memastikannya bebas dari segala deformasi, kerusakan, dan korosi, dan semua spindel harus berputar fleksibel tanpa penyumbatan apa pun.
6: Mesin ini bekerja pada fase tunggal AC 110V, dan steker listrik berkaki 3 yang pipih harus dicolokkan ke soket listrik dengan kabel ground.
Parameter Teknis

- Kecepatan pembatasan: 15-30 lembar/menit
- Tegangan terukur: 110V/60Hz (Standar AS)
- Daya Mesin: 0.8KW
- Arus listrik: 2.2A
- Dimensi eksterior: 2230*1460*1600 MM (P*L*T)
- Tekanan Udara: 0,7 MPa
- Berat: Sekitar 300 KG
Mesin Penutup Secara Detail:



Struktur Mesin

Deskripsi Mata Listrik Serat Optik
Mata Listrik Untuk Mendeteksi Botol:

Ketika dioperasikan dalam mode otomatis, tujuan mata listrik ini adalah untuk mendeteksi botol yang masuk.
Ketika botol yang masuk terdeteksi, "meja putar" akan berputar.
Mata Listrik Pengiriman Tutup

Bila dioperasikan dalam mode otomatis, tujuan mata listrik ini adalah untuk mendeteksi penutup yang masuk.
Ketika tutup yang masuk terdeteksi, "mekanisme pengeluaran" naik untuk mengambil material.
Mata Listrik Pengiriman Tutup

Ketika dioperasikan dalam mode otomatis: Tujuan mata listrik ini adalah untuk mendeteksi botol yang masuk.
Ketika botol yang masuk terdeteksi, "mekanisme tutup pengunci" memutar tutup pengunci ke bawah.
Tombol Sakelar dan Port Kabel
Layar Sentuh Dan Penghenti Darurat

Pengontrol motor pengumpan dan pelat getaran tutup

Pengontrol pelat getaran

Pengontrol pelat getar: Dengan mengatur voltase, sesuaikan kecepatan pelepasan.
Sakelar dan soket daya

Pengendali motor

Transformator frekuensi: Dengan menyesuaikan tombol transformator frekuensi, sesuaikan kecepatan motor.
Metode Alarm dan Pemecahan Masalah:
1. Tombol penghenti darurat telah ditekan. Tekan tombol penghenti darurat pada tutup mesin dan di samping layar sentuh.
2. Output mencapai nilai yang ditetapkan. Atur output, tekan tombol hapus untuk menghapus output saat ini.
3. Jika tutup botol tidak terdeteksi dalam jangka waktu yang lama, harap periksa. Periksa serat induksi tutup botol untuk mengetahui apakah terpasang dengan baik. Periksa apakah tutup botol terpasang dengan benar atau tidak.
4. Jika botol tidak terdeteksi dalam jangka waktu yang lama, harap periksa. Periksa apakah botol sudah terpasang dengan benar.
Penyesuaian Mata Listrik:
Struktur Penguat

Diagram Untuk Serat Optik:

1. Batang pengunci serat optik
2. Indikator status pengoperasian
3. Mengatur
4. Lampu indikator DSC
5. Monitor digital
6. Tombol manual
7. Cakupan perlindungan yang diperluas
8. Konektor ekspansi
9. Sakelar Pemilih Daya
10. Tombol mode
11. Pemilih keluaran
12. Kabel
13. Pelindung debu
14. Atur nilai (Berwarna hijau)
15. Nilai saat ini (Berwarna merah)
Proses Kerja Untuk Setting Fiber Optik
- Ketika mata listrik jatuh di celah, nilai arus merah adalah 144.
- Ketika mata listrik jatuh pada label, nilai arus merah adalah 4.
- Sesuaikan nilai yang ditetapkan", sekitar 1/2 dari nilai mata listrik di kertas tubuh (di celah antara objek yang akan dideteksi) dan nilai mata listrik di kertas nilai yang ditetapkan adalah (144 4)/2=74, sesuaikan tombol manual untuk menyesuaikan nilai yang ditetapkan menjadi 74.
- Pindahkan celah label maju mundur pada lokasi mata listrik dan lampu sinyal/indikator merah.
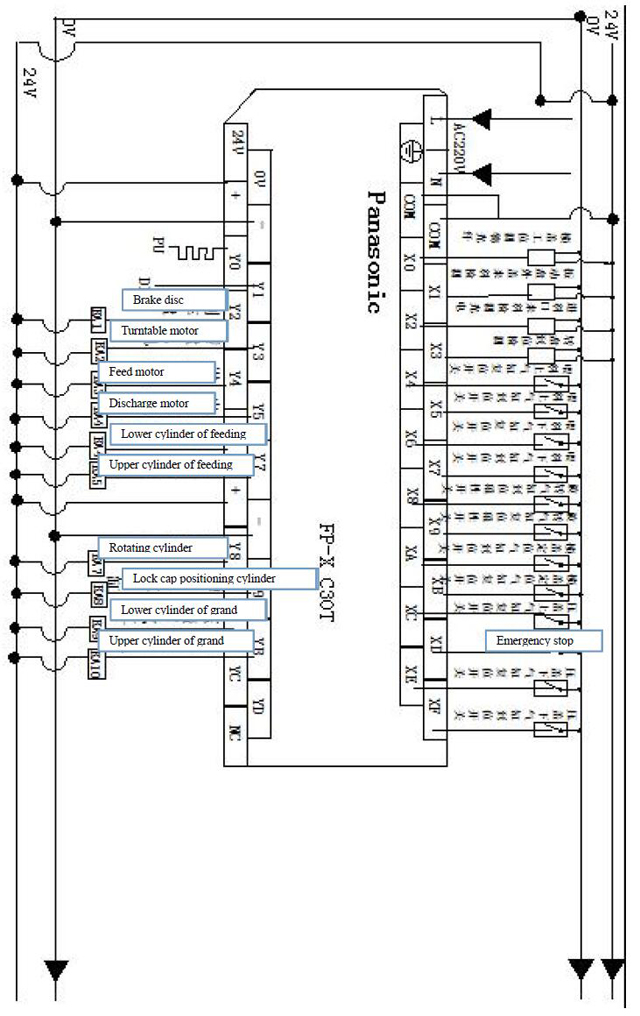
Diagram Sirkuit



Mesin Penutup Botol Perawatan

1. Perlu dilakukan pengecekan dan perawatan mesin untuk memperpanjang umur mesin dan mengoptimalkan fungsi mesin;
- Mesin yang bekerja harus dirawat setiap tiga bulan;
- Bagian bantalan dan transmisi roda gigi harus dilumasi dengan gemuk;
- Pelumasan harus dilakukan secara berkala;
- Oli jalur geser (N68) sebaiknya ditambahkan ke bagian seperti gerakan mekanisme bolak-balik atau pengangkatan dua kali setiap hari;
- Oli mobil (N68) harus ditambahkan ke bagian yang berputar atau berayun;
- Setiap setengah bulan tambahkan gemuk ke dalam slot cam;
- Setiap bulan satu kali untuk nosel minyak dengan menambahkan gemuk;
2. Jangan sekali-kali menggunakan perkakas logam untuk memukul atau menggores permukaan tempat ikatan menggumpal pada bagian-bagian seperti komponen atau cetakan.
3. Jika mesin berhenti bekerja dalam waktu lama, tambahkan gemuk untuk pelumasan pada bagian-bagian seperti transmisi atau bagian bantalan; Rawat juga mesin dengan perlindungan kedap air.
4. Jangan sekali-kali menaruh benda apa pun di atas mesin karena dapat merusak mesin.
5. Bersihkan debu di dalam komponen secara berkala, periksa juga semua sekrup dan perbaiki sekrup yang kendor.
6. Periksa sekrup pada terminal kabel pada waktu tertentu dan pastikan sekrup terpasang dengan benar;
7. Periksa apakah ada bagian yang kendor pada jalur kabel yang direntangkan dari kotak listrik; Jika bagian tersebut terlalu kendor, kencangkan kembali sekrupnya guna menghindari abrasi atau kerusakan pada lapisan insulasi yang dapat mengakibatkan kebocoran listrik.
8. Periksa bantalan yang mudah aus dan ganti bantalan yang rusak tepat waktu;









