
- Mesin cuci botol kaca VK-BR
- Mesin pengisian oli VK-PF 4 kepala
- Mesin penutup vakum VK-VC
- Mesin pelabelan botol bulat VK-RPL
Lini pengisian yang sepenuhnya otomatis dapat disesuaikan menurut kebutuhan pelanggan dan sampel yang ditawarkan oleh pembeli. Berikut ini adalah informasi dasar untuk lini pengisian yang sepenuhnya otomatis untuk industri makanan:
Mesin Pencuci Udara Botol Kaca Peralatan Pencuci Vakum
Ini adalah mesin pencuci botol otomatis dengan udara. Kapasitasnya tergantung pada nosel pencuci udara.
Kompresor udara mengangkut udara di dalam wadah vakum, gas melalui katup solenoida dan generator ion dimurnikan, sampo gas trakea meniupkan gas ke dalam botol melalui mulut pencuci gas, meniupkan benda asing keluar dari mulut pencuci gas dengan tekanan gas, mengembalikan gas buang trakea yang habis ke luar melalui kontrol emisi.

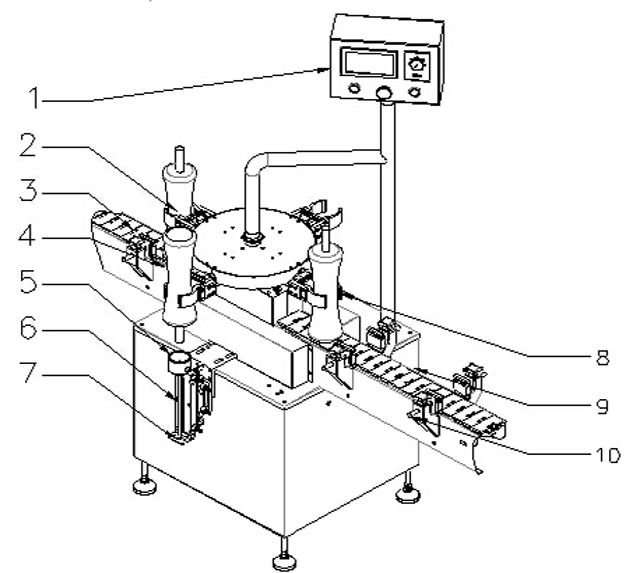
| 1 | Panel kontrol | 2 | Botol |
| 3 | Sabuk untuk botol susu | 4 | Sensor untuk pemberian botol |
| 5 | struktur pemasangan botol | 6 | Membilas injet |
| 7 | Tuyere Elektrostatik | 8 | Titik pemasangan botol |
| 9 | Sabuk untuk mengeluarkan botol | 10 | Bilah panduan |
Parameter Dasar Mesin Cuci Udara Rotary Otomatis Untuk Botol Kaca:

Model: VK-BR
Cocok untuk botol: 20-1000ml
Kapasitas Produksi: 8 nozel pembersih: 3600~4800bph
Kisaran tekanan udara: 6~8kg/cm2
Konsumsi udara: 25m3/jam
Catu daya: 220V 50/60Hz
Konsumsi daya: 0,75Kw
Kebisingan mesin tunggal: ≤70dB
Udara murni: 0,2μm
Waktu pembersihan: 3~5 detik
Berat bersih: 350kg
Dimensi keseluruhan: 1200 x 800 x 1600mm
Mesin Pengisian Oli 4 Kepala Pengisi Linear

Mesin pengisi zaitun dengan 4 kepala yang dikontrol oleh komputer mikro, menggabungkan fotolistrik dengan operasi pneumatik, sehingga banyak digunakan untuk pengisian cairan kimia pertanian, larutan, deterjen cair, kosmetik, dan juga zaitun.
Volume pengisiannya presisi, tidak berbusa, dan stabil. Mesin ini dapat mengisi cairan dengan kisaran 25-1000 ml, sementara itu tidak ada persyaratan khusus pada bentuk botol. Artinya, mesin ini dapat mengisi cairan untuk botol normal maupun botol berbentuk irrugula.

Model: VK-PF
Kisaran pengisian: 50~3000ml
Kecepatan pengisian: <20-30b/m(untuk cairan 500-1000ml)
Akurasi: ±1%
Daya/daya suplai: 0.8kw、220v
Tekanan kerja: 5~6kg/cm3
Konsumsi udara: 0,5-0,7mpa
Barat Laut: 500kg
Dimensi luar: 2000×800×1900mm
Tanda: Nozel pengisian dapat dirancang dan diproduksi sesuai dengan kebutuhan pelanggan pada rentang pengisian dan kecepatan pengisian
Mesin Penutup Vakum Linear Peralatan Penutup Toples Vk-Vc:
Mesin capping linear ini diteliti dan dikembangkan oleh perusahaan kami dengan pengalaman bertahun-tahun, mesin ini unik di dalam negeri. Terintegrasi dengan pengaturan tutup otomatis, penutup, dan capping vakum.
Mengadopsi pompa vakum manual untuk mencapai vakum tinggi. Dengan fungsi tanpa botol dan tanpa penutup, alarm berbunyi saat tutup tidak tersedia. Menggunakan otomatisasi tinggi. Komponen pneumatik dan elektrik utama berasal dari merek-merek terkenal di dunia.
Dengan kinerja yang stabil dan andal. Produk ini banyak digunakan untuk menutup botol kaca dengan tutup besi dalam industri makanan kaleng, minuman, bumbu dapur, produk perawatan kesehatan, dll.

Daya: ≤2.3KW (termasuk pompa vakum)
Kapasitas produksi: 50-60BPM
Diameter tutup: ¢30-¢55mm ¢50-¢85mm
Tinggi botol: 80-250mm
Diameter botol: ¢30-¢85mm
Vakum maks: -0,08mpa
Torsi pembatasan: 5-20N.M
Konsumsi udara: 0,6M3/0,7Mpa
Dimensi mesin: Sekitar 3000 × 1000 × 1900mm
Berat: Sekitar 850kg
Mesin Pelabel Botol Bulat Vk-Rpl

Aplikasi: Memerlukan permukaan keliling membran yang ditempelkan pada label atau produk.
Industri: Banyak digunakan dalam industri makanan, obat-obatan, kosmetik, elektronik, logam, plastik dan industri lainnya.
Aplikasi: Pelabelan botol bulat PET, pelabelan botol plastik, makanan kaleng dan sebagainya.

Panjang label yang cocok (mm): 20mm ~ 314mm
Lebar label yang berlaku (lebar kertas pendukung / mm): 15mm ~ 150mm
Produk yang Berlaku diameter (untuk botol bundar) dan tinggi: diameter: φ25mm ~ φ100mm
Tinggi: 25mm ~ 230mm
Diameter gulungan standar yang berlaku (mm): φ280mm
Diameter gulungan standar yang berlaku (mm): φ76mm
Akurasi pelabelan (mm): ± 1mm
Kecepatan standar (m / mnt): Servo: 5 ~ 25m / mnt Stepping: 5 ~ 19m / mnt
Kecepatan pelabelan (pcs / menit): Langkah: 30 ~ 80 pcs / menit (dengan ukuran botol dan label)
Servo: 40 ~ 120 pcs/menit
Kecepatan konveyor (m / mnt): 5 ~ 25m / mnt
Berat (kg): Sekitar 185kg
Frekuensi (HZ): 50HZ Tegangan (V): 220V
Daya (W): 530W (stepper traksi) 980W (servo traksi)
Dimensi perangkat (mm) (P × L × T): 1950mm × 1100mm × 1300mm


Kemasan Kotak Kayu:

Layanan Purnajual Untuk Jalur Pengisian

Kami menjamin kualitas suku cadang utama dalam waktu 12 bulan. Jika suku cadang utama rusak tanpa faktor buatan dalam waktu satu tahun, kami akan menyediakannya atau merawatnya untuk Anda. Setelah satu tahun, jika Anda perlu mengganti suku cadang, kami akan dengan senang hati memberikan harga terbaik atau merawatnya di tempat Anda. Jika Anda memiliki pertanyaan teknis dalam menggunakannya, kami akan dengan senang hati membantu Anda.
Jaminan kualitas:
Pabrikan harus menjamin barang-barang tersebut terbuat dari bahan-bahan terbaik dari pabrik, dengan pengerjaan kelas satu, benar-benar baru, belum pernah dipakai, dan sesuai dalam segala hal dengan kualitas, spesifikasi, dan kinerja sebagaimana ditetapkan dalam kontrak ini. Periode jaminan kualitas adalah dalam waktu 12 bulan sejak tanggal B/L.
Pabrikan akan memperbaiki mesin yang dikontrak tanpa biaya selama masa jaminan mutu.
Apabila kerusakan tersebut disebabkan oleh penggunaan yang tidak tepat atau alasan lain oleh Pembeli, produsen akan memungut biaya perbaikan suku cadang.
Instalasi dan Debugging:
Penjual akan mengirimkan teknisi untuk memberikan instruksi pemasangan dan debugging. Biaya ditanggung pembeli (tiket pesawat pulang pergi, biaya akomodasi di negara pembeli). Pembeli harus menyediakan bantuan di lokasi untuk pemasangan dan debugging.









